【导读】在微处理器系统、工业控制及各类数字设备中,数据在芯片间稳定、有序地传输是系统可靠运行的基石。锁存器正是这一过程中的关键“闸门”与“暂存站”,它负责在特定时刻锁定数据状态,并控制其何时汇入共享的数据总线。无锡力芯微电子推出的 ET74HC573V,正是一款针对现代数字系统需求优化的高性能8位D型透明锁存器。它凭借宽电压工作、三态总线驱动和高可靠性设计,旨在为复杂环境下的数据接口提供简洁而稳固的解决方案。
在微处理器系统、工业控制及各类数字设备中,数据在芯片间稳定、有序地传输是系统可靠运行的基石。锁存器正是这一过程中的关键“闸门”与“暂存站”,它负责在特定时刻锁定数据状态,并控制其何时汇入共享的数据总线。无锡力芯微电子推出的 ET74HC573V,正是一款针对现代数字系统需求优化的高性能8位D型透明锁存器。它凭借宽电压工作、三态总线驱动和高可靠性设计,旨在为复杂环境下的数据接口提供简洁而稳固的解决方案。
工艺优势:宽电压与低功耗的完美融合
ET74HC573V 采用了先进的 CMOS 工艺,这一工艺为其带来了诸多卓越性能。它支持 2.0V 至 6.0V 的宽工作电压范围,无论是低电压的节能场景,还是高电压的稳定需求,它都能轻松适配,展现出强大的兼容性。同时,CMOS 低功耗设计让它在运行过程中消耗的能量极低,有效降低了系统的整体功耗,为节能减排贡献力量。而且,它还具备高噪声抗扰度,能够在嘈杂的电磁环境中稳定工作,确保数据的准确传输,为系统的可靠性提供了坚实保障。
产品特性
●宽工作电压范围:2.0 V 至 6.0 V
●CMOS 低功耗设计
●高噪声抗扰度
●三态非反转输出:专为总线导向应用设计
●高可靠性:
- 闩锁(Latch-up)性能超过 100 mA (JESD 78 Class II Level B)
- ESD 性能:HBM > 2000V, CDM > 1000V
●宽工作温度范围:-40 °C 至 +125 °C
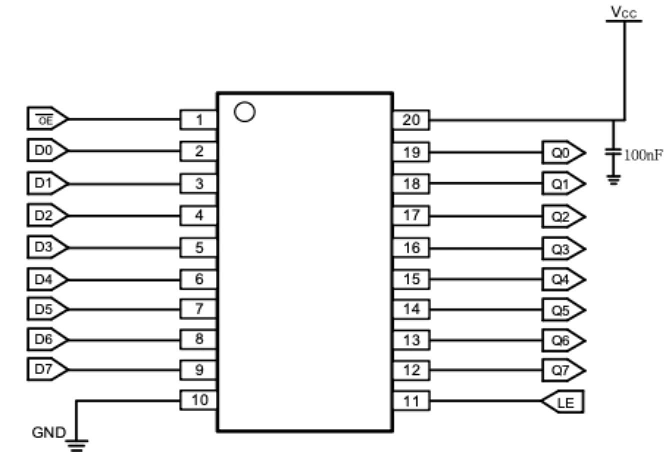
管脚定义
ET74HC573V TSSOP20
典型应用
功能框图
推荐阅读:
告别笨重AR眼镜!豪威集团新推出LCOS微显示器实现全天佩戴的清晰视界
MPS发布全球首颗全集成车规eFuse,简化设计并削减BOM成本
单机架144个GPU!Supermicro全新液冷B300方案实现超大规模无缝扩展
为收藏家而生:微星十周年超神 GODLIKE主板限量千块,售价破9000元
效率高达97.7%!金升阳新推出非隔离通信电源KCR系列内置PMBus的数字掌控力






