【导读】在射频通信、精密模拟及便携设备中,电源的纯净度与稳定性直接决定了系统性能的天花板。力芯微电子最新推出的ET5A8XX系列低噪声低压差线性稳压器,正是瞄准了这一核心需求,以15µVrms超低噪声、80dB高纹波抑制及1A强劲输出能力,为对电源敏感的电路提供了一块“静谧而稳定”的基石。
产品概述
在射频通信、精密模拟及便携设备中,电源的纯净度与稳定性直接决定了系统性能的天花板。力芯微电子最新推出的ET5A8XX系列低噪声低压差线性稳压器,正是瞄准了这一核心需求,以15µVrms超低噪声、80dB高纹波抑制及1A强劲输出能力,为对电源敏感的电路提供了一块“静谧而稳定”的基石。
PMOS架构,性能卓越
ET5A8XX系列采用先进的PMOS架构,具备1000mA的强劲输出能力。在低静态功耗的基础上,该系列实现了出色的低噪声性能与高电源纹波抑制比(PSRR),仅需搭配1μF陶瓷输入/输出电容即可稳定工作。通过精密电压基准与反馈回路,ET5A8XX系列在全工况下均能保持1.5%的输出精度,成为射频前端、模拟传感器、音频电路及电池供电设备的理想电源选择。
紧凑封装,节省空间
ET5A8XX系列提供小型SOT23-5、DFN6(2×2)等多种紧凑封装形式,特别适用于空间受限的消费电子产品和集成度极高的工业控制模块。其小巧的体积不仅节省了PCB空间,还提升了系统的整体可靠性。
产品特点
●输入电压范围宽,为 1.9V 到 5.5V。
●输出电流1A。
●输出电压3.0、3.3V等。
●极低静态电流,典型值为25µA。
●关断电流低至0.1µA(典型值)。
●超低噪声,典型值为15µVrms(lOUT=200mA)@VOUT=3V。
●极高的电源抑制比,典型值为80dB@1kHz,45dB@1MHz(VOUT=3V)。
●压降低,典型值为240mV@3.0V/1A 。
●具有出色的输入/负载瞬态响应能力。
●内置过流保护、热关断和自动放电功能。
典型应用
图1:ET5A8XX Application Circuit
管脚定义
DFN6(ET5A8XXYB) SOT23-5(ET5A8XXS5B)
图2:TOPVIEW
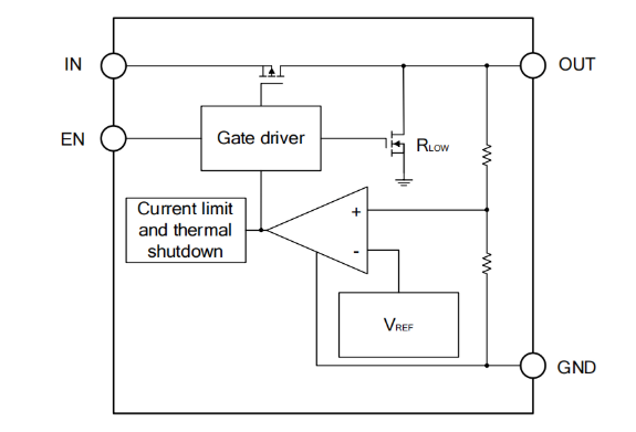
功能框图
图3:功能框图
其他亮点
(1)ET5A8XX超低的Dropout Voltage和优异的负载调整率,可以提升电源转换效率、延长设备续航,并拓宽应用场景的电压适配范围。
图4:Output Voltage VS Temperature
图5:Dropout Voltage VS Output Current
(2)ET5A8XX的PSRR在1KHz可达90dB,从100KHz到1MHz的PSRR大于40dB,有较好的抗干扰性能。
图6:PSRR (IOUT=20mA)
(3)极佳的电源瞬态响应,避免了前级扰动对后级的影响。
图7:Line Transient Response
图8:Line Transient Response
(4) 优秀的负载瞬态响应,给后级提供了稳定的电源输出。
图9:Load Transient Response
图10:Load Transient Response
(5)较低的功耗可以延长电池续航,提升设备可用性,并且可以降低发热,优化用户体验与稳定性。
图11:Supply Current VS Temperature
推荐阅读:
MCU+驱动+电源合一,极海G32M3101一颗芯片搞定电机控制,系统成本骤降
国产化力量!中电华星新款CD110S60-05,守护列车控制信号的毫厘不失
英飞凌CoolMOS™ 8赋能长城电源,打造高性价比服务器电源方案






