【导读】作为国内领先的半导体器件厂商,长晶科技近日正式发布了基于其第二代屏蔽栅沟槽(SGT Gen2.0)工艺的30V MOSFET产品系列。这一突破性技术不仅实现了关键性能指标的大幅跃升,更在PC主板DC-DC同步降压电路中展现出能效与温控的显著优势,为核心硬件“降温增效”提供了国产高性能方案,标志着其产品实力已达到国际一线水平。
作为国内领先的半导体器件厂商,长晶科技近日正式发布了基于其第二代屏蔽栅沟槽(SGT Gen2.0)工艺的30V MOSFET产品系列。这一突破性技术不仅实现了关键性能指标的大幅跃升,更在PC主板DC-DC同步降压电路中展现出能效与温控的显著优势,为核心硬件“降温增效”提供了国产高性能方案,标志着其产品实力已达到国际一线水平。
新品亮相:SGT Gen2.0工艺下的30V MOSFET系列
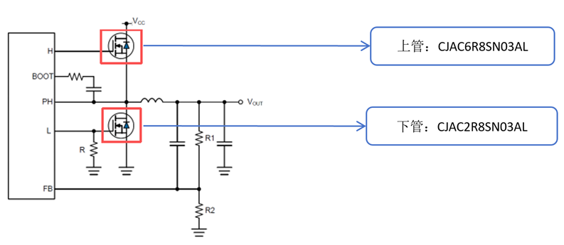
基于SGT Gen2.0工艺,长晶科技针对PC电脑30V MOSFET应用,精心打造了一系列产品。其中,CJAC6R8SN03AL与CJAC2R8SN03AL上下管搭配,展现出非凡优势。
(应用在红色框部分)
产品详解:性能卓越,各展所长
●CJAC6R8SN03AL:采用SGT工艺,PDFNWB5×6封装。在10V/20A条件下,Rds(on)仅有5.4mΩ,较小的Ciss以及Qrr,可以极大降低开关损耗,适用于高效率快速开关应用场景。
●CJAC2R8SN03AL:采用SGT工艺,PDFNWB5×6封装。在10V/20A条件下,Rds(on)仅有2.2mΩ,较小的导通内阻,可以极大降低导通损耗,降低器件的温升。
参数对比
整体来看,长晶科技的技术对标国际一流,且产品在关键性能上找到了最佳平衡点。在保持超低导通电阻(RDS(on))的同时,显著降低了栅极电荷(Qg),兼具了低损耗与高速度。
系统表现
将长晶产品和竞品分别放在BUCK 系统评估板,进行系统评估,结果如下表列示。
(测试条件Vin=19V,Vout=1V,Iout=15A,Fsw=650KHz,Vdri=5V,Ta=25℃)

系统评估:实测见真章,能效温升双领先
将长晶产品与竞品置于BUCK系统评估板进行测试,结果显示:在实际应用中,系统整体效率高达85.17%。与同类型竞品相比,能效提升显著,分别为0.59%、1.13%、1.63%,稳居行业领先地位。通过优化热管理设计与参数,满载运行时核心器件温升大幅降低。上管温升较竞品分别降低1.0℃、3.1℃、4.6℃,下管温升降低1.9℃、4.9℃、6.9℃,系统长期运行可靠性显著增强,产品生命周期有效延长。
相较于参照竞品,长晶科技SGT Gen2.0系列产品系统表现优于竞品,系统效率最高,温升最低。
推荐阅读:
中电华星推出CDA06系列DC-DC电源模块,助力中国智造畅行全球
速度狂飙14.9GB/s!铠侠新SSD高低搭配,引领PCIe 5.0新潮流
晶扬电子推出国产“三合一”滤波器,Pin-to-Pin替换安世半导体







