【导读】近日,晶扬电子发布国内首款自主研发的IPD(集成无源器件)共模滤波器 TFC0501M,创新性地将三大防护功能集成于单一超小封装内,实现了防护方案的革命性升级,为消费电子、通信设备等领域提供了高性能、高集成度的国产化新选择。
近日,晶扬电子发布国内首款自主研发的IPD(集成无源器件)共模滤波器 TFC0501M,创新性地将三大防护功能集成于单一超小封装内,实现了防护方案的革命性升级,为消费电子、通信设备等领域提供了高性能、高集成度的国产化新选择。
接口防护难题重重
USB、HDMI等高速接口在工作时,常因布线失配等因素产生大量共模噪声,这些噪声会辐射至周围环境,对WiFi、蓝牙、5G通信等无线传输模块造成电磁干扰,如天线降敏。同时,静电放电无处不在,高速接口因采用纳米级集成电路工艺,静电耐受能力低,必须进行额外防护。此外,热插拔等功能还易引发浪涌冲击,进一步加剧了接口防护的复杂性。
传统方案空间占用大
为解决上述问题,传统方案需同时选用EMI物料(如磁珠)和TVS物料,这在高度集成化的电子产品中,不仅占据大量PCB板级空间,还增加了供应商管理的难度。
产品优势
01 集成化封装设计
采用先进的晶圆级封装工艺(CSP),将TVS与共模滤波电感集成在一起,具有超小的封装尺寸(CSP-5-1208:1.2mm × 0.8mm × 0.6mm) ,减少了电路板上的元件数量和空间占用,有助于实现电子产品的小型化和轻薄化,同时,产品的性能可靠度也得到很大提升。
该产品与安世半导体(Nexperia)的PCMFXHDMI2S和PCMFxUSB30系列产品Pin-to-Pin完全兼容,可直接互换使用。
* TFC0501M电路图
* TFC0501M引脚示意图
02 卓越的防护性能
集成的TVS能够快速响应静电放电事件,将瞬态静电电压钳位在安全水平(8/20μs波形测试下,5.5V@6.5A),具有较高的ESD耐受能力(能承受IEC 61000-4-2测试的15kV接触放电和15kV空气放电的冲击),有效防止静电对电路造成的损坏。该性能与竞品性能相当。
* 8/20μs波形测试结果
03 高效的共模滤波功能
能够有效地抑制共模干扰信号(f=2GHz,SCC21=-17db;f=3GHz,SCC21=-22db;fr=2.3GHz),降低电磁干扰。
* TFC0501M的SCC21测试结果(左)和竞品PCMF1HDMI2S测试对比(右)
04 高差分带宽
在高频率范围内可保持较高的差分信号传输质量(对于SDD21,f-3db=7.6GHz;竞品的f-3db仅为6GHz)。且寄生电容低至0.25pF(VR=0V,f=1MHz),对高速信号的传输影响较小,有助于维持信号的完整性。
* TFC0501M的SDD21测试结果(左)和竞品PCMF1HDMI2S测试对比(右)
05 精确的差模阻抗
TDR测试显示TFC0501M差分阻抗特性良好(ZDIFF=90Ω),更符合USB电路设计中对差分阻抗的要求。而竞品更兼容HDMI的电路设计。
图片
* TFC0501M的TDR测试结果(左)和竞品PCMF1HDMI2S测试对比(右)
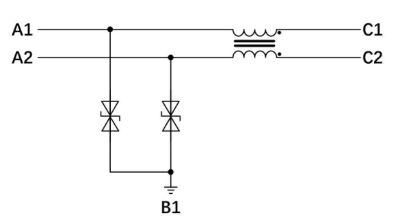
TFC0501M应用于USB 3.X的电路设计方案
#眼图测试结果#
TFC0501M应用于HDMI的电路设计方案
#眼图测试结果#
应用与兼容性:无缝替换,加速设计导入
为降低工程师的采用门槛,加速国产替代进程,TFC0501M在设计上充分考虑了兼容性:
●引脚兼容:与安世半导体(Nexperia)的PCMFxUSB30、PCMFxHDMI2S等主流系列产品实现 “Pin-to-Pin”完全兼容。工程师无需修改现有PCB布局,即可直接替换,大幅缩短验证周期。
●方案成熟:提供了针对USB 3.x和HDMI接口的标准应用电路参考设计,经过完整的眼图测试验证,可帮助客户快速实现量产部署。
推荐阅读:
Abracon构建时钟元件“供应韧性”,为物联网汽车电子上双保险
Penguin Solutions推出64GB工业级DDR5内存,引领极端环境测量新风尚







