【导读】在家用电器和工业控制领域,多路负载驱动一直是个令人头疼的问题。控制器GPIO资源有限,系统成本居高不下,这些问题制约着设计的灵活性和产品的竞争力。川土微电子最新推出的 CA-DV8008 I²C控制八通道低边驱动芯片,正是针对这一核心痛点的高集成度解决方案。它通过高效的串行转并行控制架构,用两根I²C总线即可操控最多64路负载,显著简化了多路驱动系统的设计,为国产高性价比电机驱动与功率开关应用提供了可靠选择。
在家用电器和工业控制领域,多路负载驱动一直是个令人头疼的问题。控制器GPIO资源有限,系统成本居高不下,这些问题制约着设计的灵活性和产品的竞争力。川土微电子最新推出的 CA-DV8008 I²C控制八通道低边驱动芯片,正是针对这一核心痛点的高集成度解决方案。它通过高效的串行转并行控制架构,用两根I²C总线即可操控最多64路负载,显著简化了多路驱动系统的设计,为国产高性价比电机驱动与功率开关应用提供了可靠选择。
01产品概述
CA-DV8008是一款I²C控制的八通道低边驱动。该器件采用串行接口转并行输出的控制方式,可大幅节约主控制器GPIO资源,简化系统设计,有效降低硬件成本。它拥有八通道低边输出,每通道在25°C、单通道开启时支持500mA的灌电流能力,八通道同时开启(SOIC16-NB封装)时也能达到250mA,输出端口耐压高达50V,轻松应对各种复杂负载。
CA-DV8008支持最高400kHz的快速I²C总线,有3个硬件地址配置引脚,支持同一I²C总线上最多挂载8片CA-DV8008,实现64路输出的集中控制。器件的SCL与SDA引脚采用CMOS逻辑电平,逻辑供电电压VCC支持3V至5.5V宽范围输入,可直接与3.3V或5V微控制器直连和共电源。
CA-DV8008提供SOIC16-NB与TSSOP16两种封装型式,环境工作温度(TA)范围覆盖-40°C至+125°C,满足家用电器和工业级应用环境要求。
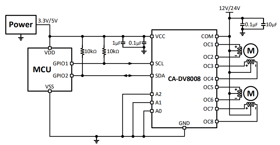
简化电路框图
02特性
●八通道低边输出
●单通道500mA灌电流能力(25°C,单通道开启)
●单通道250mA灌电流能力(25°C,八通道开启,SOIC16-NB封装)
●输出端口电压高达50V
●内置钳位二极管应对感性负载
●输入I²C控制,支持最高400kHz的时钟速率
●SCL/SDA引脚CMOS逻辑电平
●3个地址可配引脚,同一总线上最多可挂载8片CA-DV8008
●VCC电源电压范围:3V~5.5V
●环境工作温度范围:–40°C ~ 125°C
●提供SOIC16-NB和TSSOP16封装选项
03 典型应用场景
●运动控制:步进电机驱动、直流有刷电机驱动
●功率开关:继电器驱动、接触器控制、螺线管驱动
●照明系统:多路LED驱动与调光控制
●信号分配:线驱动器、逻辑缓冲器与电平转换
家用电器和工业自动化:多路执行器控制、阀门驱动、电磁铁控制
CA-DV8008的高集成度与灵活性,使其能够广泛应用于多个领域:
●运动控制:驱动两个四相步进电机或多个直流有刷电机。
●功率开关:集中控制多路继电器、接触器、电磁阀或螺线管。
●智能照明:实现多路LED灯组的开关与调光控制,甚至驱动七段/八段LED数码管显示。
●工业自动化:在PLC、机械手臂、纺织设备中作为多路执行器的标准驱动单元。
典型应用电路—驱动步进电机
CA-DV8008也可以用来驱动七段或者八段共阳LED数码管。
典型应用电路—驱动 LED 数码管
样品申请:
川土微电子已开放免费样品申请与技术方案支持,助力您的产品快速落地。申请通道:访问官网提交需求,或联系经销商申请。
川土微CA-DV8008通过将多路驱动、I²C接口扩展和负载保护功能集成于单一芯片,为工程师提供了一个节省资源、降低成本、提升可靠性的“三赢”方案。它尤其适合那些受限于MCU引脚数量或需要精简布线的多节点控制项目,是推动家用电器智能化与工业控制系统紧凑化升级的一款实用型国产芯片。
推荐阅读:
宽频段覆盖新选择!通量科技驱动放大器系列提升系统稳定性和效率
速度翻倍,体积瘦身三分之一!佰维ePOP5x实现存储密度与速率同步跃升






