【导读】在无线通信、雷达及测试测量等领域,驱动功率放大器的性能与可靠性直接决定了整个射频前端的表现。为满足市场对宽频段、高稳定性的需求,通量科技最新推出了一个涵盖0.3GHz至2.5GHz频率范围的0.5W驱动功率放大器系列。该系列共包含4款型号,不仅具备超过20dB的典型增益与低至2dB的噪声系数,更通过全集成射频端口匹配设计极大地简化了外围电路。针对行业中常见的因负载失配导致的放大器损坏难题,该系列产品采用了独特的抗失配设计,即使在输出端口开路的极端情况下,其输入端口仍可承受超过20dBm的功率,显著提升了系统的鲁棒性和应用便利性。
01 新品介绍
在无线通信、雷达及测试测量等领域,驱动功率放大器的性能与可靠性直接决定了整个射频前端的表现。为满足市场对宽频段、高稳定性的需求,通量科技最新推出了一个涵盖0.3GHz至2.5GHz频率范围的0.5W驱动功率放大器系列。该系列共包含4款型号,不仅具备超过20dB的典型增益与低至2dB的噪声系数,更通过全集成射频端口匹配设计极大地简化了外围电路。针对行业中常见的因负载失配导致的放大器损坏难题,该系列产品采用了独特的抗失配设计,即使在输出端口开路的极端情况下,其输入端口仍可承受超过20dBm的功率,显著提升了系统的鲁棒性和应用便利性。
02 产品特色
-
配置电流调节端口,静态电流连续可调
-
匹配全集成,射频端口外围不需要任何元器件
-
均配置Power Down功能,关断时间<300ns
-
所有端口均配置500V以上静电防护能力
-
最高支持VDD=10V电压
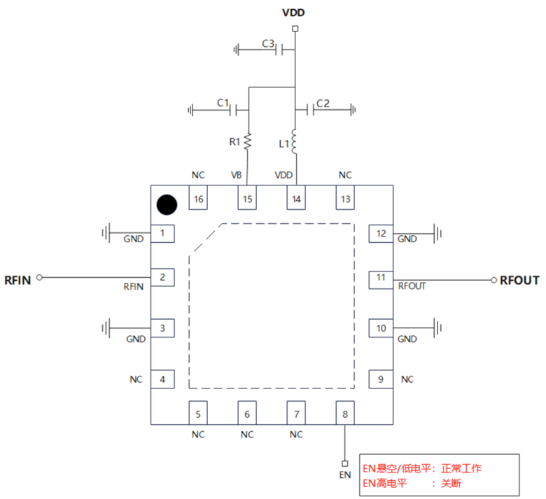
03 功能框架与管脚定义
QFN 3X3mm 16PIN
04 性能与曲线 ----FT21101-LP3
典型性能(VDD=5V)
性能曲线(VDD=5V)
05 性能与曲线 ----FT21301-LP3
典型性能(VDD=5V)
性能曲线(VDD=5V)
06 应用电路
07 外形尺寸
推荐阅读:
速度翻倍,体积瘦身三分之一!佰维ePOP5x实现存储密度与速率同步跃升
单片32Gb创纪录!SK海力士首款通过英特尔认证的256GB DDR5内存条
响应快、覆盖全!东芝推出高集成度双通道比较器助力提升系统故障防护等级






