【导读】近日,润石科技基于深厚的技术底蕴,隆重推出RS8547与RS8548超低噪声自稳零运算放大器,为行业带来了全新的高性能解决方案。此款运算放大器的一大核心亮点便是其超低的噪声表现。在 0.1Hz - 10Hz 的低频范围内,噪声低至 0.55μVpp,将低成本、高精度与低噪声性能完美融合。
近日,润石科技基于深厚的技术底蕴,隆重推出RS8547与RS8548超低噪声自稳零运算放大器,为行业带来了全新的高性能解决方案。此款运算放大器的一大核心亮点便是其超低的噪声表现。在 0.1Hz - 10Hz 的低频范围内,噪声低至 0.55μVpp,将低成本、高精度与低噪声性能完美融合。
超低噪声的自稳零运算放大器将低成本、高精度和低噪声性能融于一体,并大大降低斩波稳零放大器所具有的数字开关噪声,特别适用于各类传感器、医疗设备和应变计信号调理系统。
RS8547/8放大器的主要参数特性如下:
●超低失调电压:典型值1μV,最大5 μV
●超低噪声:0.55 μVpp (f = 0.1Hz~10Hz)
●低功耗:500 μA/channel,全温最大700 μA/channel
●低温漂:0.1μV/°C
●单位增益带宽:2.4MHz
●单位增益稳定
●无相位翻转
●工作电压支持2.5 ~ 5.5V
●轨对轨输入/输出
●电源纹波抑制比PSRR 125dB,全温最低100dB
●共模抑制比CMRR 125dB,全温最低105dB
●高开环增益130dB
●扩展工业级工作温度范围-40°C~125°C
部分典型参数曲线如下:
图1. 输入失调电压VS电源电压
图2. 0.1Hz~10Hz输入电压噪声与竞品对比
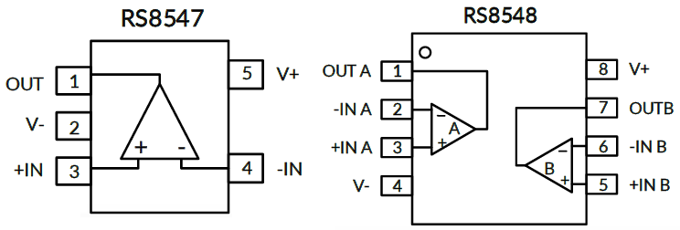
在封装设计上,RS8547 提供标准 SOT23 - 5 封装,RS8548 提供标准 SOP8 和 MSOP8 封装。这些封装尺寸和管脚定义都与当前市场通用产品兼容,方便工程师朋友们进行替换和升级,无需对现有电路进行大规模改动,大大缩短了产品的研发周期。
推荐阅读:
精于电流,稳如磐石:Bourns新款厚膜电阻在小封装内实现2W高功率






