【导读】随着电脑和手持式设备的飞速发展,USB在我们的日常使用的设备中也变得越来越常见,耳熟能详的便是在在笔记本行业随处可见的USB2.0接口。
随着电脑和手持式设备的飞速发展,USB在我们的日常使用的设备中也变得越来越常见,耳熟能详的便是在在笔记本行业随处可见的USB2.0接口。
通用串行总线(Universal Serial Bus,USB)作为计算机上的新型接口技术,与RS 232,RS 485,PCI和并行接口等接口相比,USB接口体积更小、接口规范统一、而且支持热插拔等特点,使计算机与外部设备连接十分方便。目前,很多设备都开始使用USB接口来实现,如鼠标、键盘、打印机等。在实际设计工作当中,也越来越多地采用了USB技术,如工业相机,数据采集等。USB的设计和应用已经成为现代电子设计中一个非常重要的部分。

当然除了电脑PC,平板,手机等设备的使用,USB2,0在工业的各个行业也有广泛的应用。


工业上的应用由于对于传输的速度要求并不高,所以除了工业相机和高速数据通信的应用才会采用速度更快的USB3.0 ,而例如工业打印机,烧录器,精密衡器,读卡器,扫码器,点钞机,售卖机等行业依然在使用USB2.0产品。

USB2.0产品在国内比较经典的一颗物料就是CYPRESS的CY7C68013 ,这颗产品由于内置了8051核,支持自定义编程,通过自家的软件进行配置后就可以烧录进产品,给与客户很好的客制化需求。长期起来占据工业应用大部分份额。而正由于独家供应,客户经常面临缺货,涨价的风险,有很多时候一片难求。而现在国产模拟器件厂家芯佰微推出了自家的USB2,0产品,完整替代CYPRESS 的68013,同样有三款封装,硬件软件完全兼容,客户不需要在经过重新设计就可以直接使用。
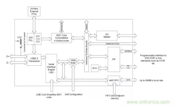
CBM9002A是芯佰微Corebai公司出品的低功耗版本单片机,具有和8051兼容的CPU和指令系统,同时包括USB接口和完整的USB 2.0协议引擎,并且提供了完善的固件及主机程序开发包。该单片机的CPU采用的是增强型8051内核,比标准的8051的速度快,硬件资源更为丰富,功能更强大。框图如下:

CBM9002A系列是基于符合工业标准的增强型 8051 内核的 USB 型微控制器。支持 USB2.0 协议高速480Mbps 以及全速 12Mbps 两种模式。增强型 8051 可工作在 48M、24M、12MHz 频率下;每个指令周期为 4 个时钟,是标准 8051 速度的 3 倍。


CBM9002A 系列内置高达 16K 字节的片上 SRAM 空间,可以用来存放用户 code 或 data。 CBM9002A 系列提供除 USB 接口以外的 USART、I2C、GPIO 等常用低速通信接口,用于和其他外设进行通信。
CBM9002A 系列支持Slave FIFO、PIF(可编程接口)等强大的数据传输功能;基于芯佰微提供的CBM9002A系列固件框架下,可达到 50MB/s 以上的数据传输能力,最大为 USB2.0 带宽。
这些常用外设配置,以及强大的 USB2.0 高速传输能力,使得 CBM9002A 系列控制器可以应用于多种场合,包括但不仅限于以上几种应用场合。

同时芯佰微在USB3.0同期规划,年底可以提供样品,完整替换CYPRESS CYUSB3014,彻底打破美国企业对于国内企业的独家垄断,给与终端客户更加有性价比的产品选择。
USB应用
● 便携式视频设备
● 工业相机,或视频监控设备
● 数据采集系统
● ATA 接口,如 IDE 硬盘
● 存储器,读卡器
● 扫描仪
● 激光雕刻设备
● 便携式声卡或 MP3 播放设备
● VGA 视频采集传输设备等等
芯佰微介绍
芯佰微公司创建于2008年,2014年正式成立芯佰微电子(北京)有限公司,2019年正式以芯佰微品牌推向市场,产品多达6大类300多颗型号,其中主要产品有ADC/DAC, USB,接口电路,常规运放,高压运放,仪表运放等产品。有兴趣的用户可以访问WWW.COREBAI.COM获取相关产品资料和代理商信息。





