【导读】随着固态硬盘(SSD)朝着更高速度、更小体积、更低功耗方向演进,其对供电方案的要求日益严苛。帝奥微电子近期推出的DIO60843同步降压DC-DC转换器,专为满足现代SSD对高效、稳定、安全供电的多元需求而设计。这款3A输出电流的降压转换器采用固定频率恒定导通时间(COT)架构,集全负载高效率、低纹波洁净供电、紧凑型封装三大核心优势于一身,为从消费级到工业级的各类SSD应用提供理想的电源解决方案。
随着固态硬盘(SSD)朝着更高速度、更小体积、更低功耗方向演进,其对供电方案的要求日益严苛。帝奥微电子近期推出的DIO60843同步降压DC-DC转换器,专为满足现代SSD对高效、稳定、安全供电的多元需求而设计。这款3A输出电流的降压转换器采用固定频率恒定导通时间(COT)架构,集全负载高效率、低纹波洁净供电、紧凑型封装三大核心优势于一身,为从消费级到工业级的各类SSD应用提供理想的电源解决方案。
一、产品特性
●高效能功率转换:采用低导通内阻功率开关,在3A重载条件下转换效率可达93%以上;轻载时静态电流仅15μA,完美适配SSD从休眠到读写的工作模式切换
●卓越纹波控制:基于固定频率COT架构与1.5MHz开关频率,配合低ESR陶瓷输出电容,轻载时输出纹波可控制在±10mV以内,重载时不超过±5mV,为SSD提供洁净供电环境
●全面安全防护:集成Power-Good信号、短路保护、热关断保护及欠压锁定保护等多重防护机制,为SSD提供"全天候"安全保障
●快速放电能力:内置3Ω主动放电电阻,在掉电或深度休眠时能迅速将输出电压降至0.1V以下,符合JEDEC SSD掉电安全标准,有效防止数据丢失
●紧凑型封装设计:采用超小1.5mm×1.5mm QFN-7封装,结合1.5MHz高开关频率减小外围元件尺寸,特别适合SSD高密度布局需求
●快速瞬态响应:当SSD从休眠切换至高速读写时,能快速抑制输出电压波动,确保输出电压变化不超过±3%(Vout=1.8V),保障读写稳定性
二、产品优势
●全面提升能效表现:通过全负载高效率设计,DIO60843既能在SSD高速读写时提供稳定大电流,又在休眠状态下大幅降低功耗,特别对笔记本等移动设备,可有效延长电池续航
●保障数据读写可靠性:超低输出纹波有效避免了因供电噪声导致的数据"位错误"和控制器指令异常,从源头降低读写错误风险,提升SSD存储可靠性
●增强系统安全性:集成快速放电功能确保SSD在意外掉电时能快速安全地释放残余电压,防止数据丢失或元件损坏;多重保护机制则提供了全面的故障防护
●简化系统设计:小尺寸封装与高开关频率带来的外围元件精简,极大节省了PCB空间,使DIO60843能轻松融入空间受限的SSD设计,加速产品开发周期
●宽适用范围:宽输入电压范围与工业级可靠性设计,使该器件既能满足消费级SSD的成本与性能平衡,又兼顾工业级SSD的严苛环境要求
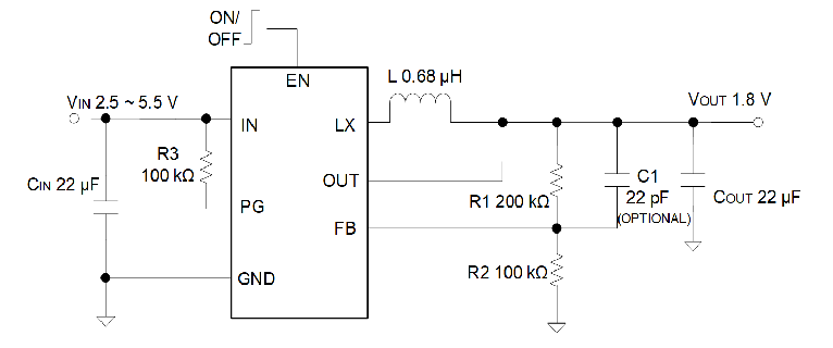
DIO60843应用框图
三、突破性技术亮点
帝奥微DIO60843在同步降压技术领域实现了多项创新突破,为SSD供电设立了新的基准:
1. 优化COT控制架构
●DIO60843采用的固定频率恒定导通时间(COT)控制架构,结合负载电流直接感应控制策略,实现了优异的瞬态响应性能。当SSD从休眠模式(几mA)瞬间切换至高速读写(3A)时,该架构能快速抑制输出电压波动,确保输出电压变化不超过±3%(Vout=1.8V),为SSD提供稳定的供电环境。
2. 高效功率开关设计
●通过集成低导通内阻功率开关,DIO60843在整体效率上实现了显著提升。在3A重载条件下,转换效率可达93%以上,有效减少供电模块发热,避免SSD因高温导致的性能降频。同时,仅15μA的静态电流使SSD在休眠时供电回路损耗大幅降低,特别适合对续航有严格要求的移动设备。
3. 专用安全机制集成
●针对SSD应用的特殊需求,DIO60843集成了多项专用安全机制。Power-Good(PG)信号使SSD控制器能准确判断供电状态,避免"上电即工作"引发的数据错误。3Ω主动放电电阻确保在意外掉电时能快速将输出电压降至安全范围,完全符合JEDEC SSD掉电安全标准,有效防止数据丢失。
4. 空间优化集成
●1.5mm×1.5mm QFN-7超小封装与1.5MHz高开关频率的协同设计,使DIO60843在保持优异性能的同时,大幅缩减了解决方案占板面积。这种高密度布局能力特别适合现代SSD对紧凑型设计的需求,为其他功能模块留出宝贵空间。
DIO60843输出纹波特性解析:
DIO60843动态响应特性解析:VIN=5V VOUT=1.8V (Iload = 0.01A to 3.0A)
四、同类竞品品牌型号对比
表格分析
从竞争对比表可以清晰看出,帝奥微DIO60843在关键性能参数上实现了显著优化。与自家前代产品DIO6083相比,DIO60843将开关频率从1MHz提升至1.5MHz,同时将静态电流从80μA大幅降低至15μA,这在技术上是重要突破。
在封装技术方面,DIO60843采用的1.5mm×1.5mm QFN-7封装相比DIO6083的DFN2*2-8封装,在尺寸上更为紧凑,体现了帝奥微在高密度封装领域的进步。
快速放电功能是DIO60843的突出特点之一,集成的3Ω主动放电电阻确保了SSD在掉电时能快速安全地释放残余电压,这一特性并非所有竞品都具备。
在控制架构上,DIO60843采用的固定频率COT控制与DIO6083的PWM控制相比,能提供更快的瞬态响应,更适合负载变化剧烈的SSD应用场景。
五、应用领域
●消费级SSD:适用于笔记本电脑、台式机、游戏主机等消费电子中的SSD供电,其高效率和低功耗特性有助于延长设备续航并减少发热
●工业级SSD:宽输入电压范围和多重保护机制使DIO60843能适应工业环境的严苛需求,包括工业自动化、嵌入式系统等应用
●数据中心与服务器:3A输出电流和快速瞬态响应能力满足服务器SSD在高速读写时的稳定供电需求,确保数据中心的稳定运行
●便携电子设备:在平板电脑、超极本等空间受限的设备中,小尺寸封装和低静态电流使DIO60843成为理想选择
●电视与PC周边:适用于智能电视、主板等需要高效供电的场景,提供稳定可靠的电源解决方案
六、产品供货
根据行业惯例及帝奥微产品发布流程,DIO60843目前已可提供样品,并进入批量生产阶段。
工程设计人员和采购商可通过帝奥微官方渠道或授权分销商获取详细的产品规格书、申请样品及查询批量定价。基于帝奥微成熟的供应链体系,该产品预计具备稳定的供货保障能力,能够满足客户从原型开发到大规模量产的不同阶段需求。
结语
帝奥微DIO60843同步降压DC-DC转换器的推出,代表了国产电源管理芯片在专用领域解决方案上的重要进步。该产品通过针对性设计,成功解决了SSD供电中的核心痛点,为存储行业提供了高效、稳定、安全的电源解决方案。
随着数据存储需求的持续增长和SSD技术的不断演进,对专用供电芯片的需求将愈发迫切。帝奥微凭借DIO60843这样的创新产品,不仅展示了其在电源管理领域的技术实力,也为国产芯片在高端应用市场的替代贡献了力量。
在数字化、智能化时代背景下,帝奥微DIO60843有望成为SSD供电方案的首选之一,助力存储技术向更高性能、更小体积、更低功耗的方向持续发展。
推荐阅读:
专为便携设备优化:谷泰微GT4798以2μA静态电流诠释低功耗
为警用无人机注入硬核实力:华北工控EMB-3513实现算力与接口双重突破
突破太空存储极限!Teledyne e2v完成16GB宇航级DDR4存储器验证







