【导读】东芝今日宣布,量产面向车载直流有刷电机应用的栅极驱动IC[1]——“TB9103FTG”,其典型应用包括用于电动后门和电动滑门的闩锁电机[2]和锁定电机[3],以及电动车窗和电动座椅的驱动电机等。
2025年3月13日——东芝电子元件及存储装置株式会社(“东芝”)今日宣布,量产面向车载直流有刷电机应用的栅极驱动IC[1]——“TB9103FTG”,其典型应用包括用于电动后门和电动滑门的闩锁电机[2]和锁定电机[3],以及电动车窗和电动座椅的驱动电机等。
汽车部件现已基本实现电气化,电机的需求以及在汽车中集成的电机数量都在增加。随着电动机中使用的驱动IC数量的增加,人们更倾向采用高集成度和小型化的系统解决方案。此外,有些电机应用不需要控制转速,只需具有简单功能和性能的驱动IC。
TB9103FTG可为无需控制速度的直流有刷电机提供优化的栅极驱动IC功能和性能,为实现更紧凑设计开辟了道路。它具有内置的电荷泵电路[4],可确保为驱动电机外部MOSFET供电所需的电压。此外,它还具有栅极监控功能,可通过为高低侧外部MOSFET自动控制栅极信号输出时序,防止生成直通电流。与此同时,该IC还内置睡眠功能,可在待机时降低功耗。
这款全新IC既可用作单通道H桥,也可用作双通道半桥。除了作为电机驱动IC外,它还能与外部MOSFET结合,替代机械式继电器以及其它机械开关,有助于实现更安静的运行以及更高的设备可靠性。
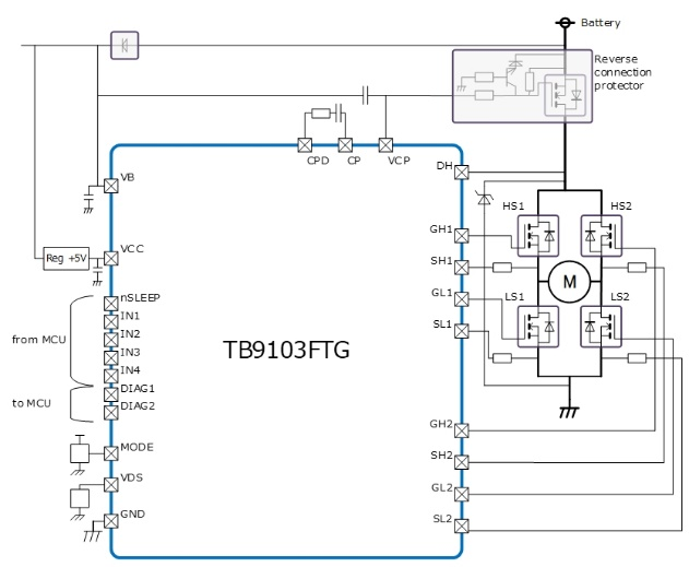
H桥模式的应用电路示例
TB9103FTG采用4.0 mm×4.0 mm(典型值)VQFN24封装,有助于缩小设备尺寸。
东芝网站上现已发布“使用TB9103FTG的车载直流有刷电机控制电路”的参考设计。
未来东芝将继续扩大其车载电机驱动IC的产品线,为车载设备的电气化和安全性提高做出贡献。
Ø 应用:
车载设备
- 用于电动后门及电动滑门使用的闩锁电机和锁定电机的驱动器;用于车窗和电动座椅等的电机的驱动器
Ø 特性:
- 精简的功能和性能有助于小型化
- 小型封装
- 低待机功耗(内置睡眠功能)
- 可用作单通道H桥或双通道半桥的栅极驱动IC
- 符合AEC-Q100(Grade 1)标准
Ø 主要规格:
注:
[1] 栅极驱动IC:驱动MOSFET的驱动IC。
[2] 闩锁电机:系统中用于保持车门关闭的电机。
[3] 锁定电机:系统中与钥匙配合工作,为车门上锁和开锁,以防出现犯罪行为而使用的电机。
[4] 电荷泵电路:使用电容器和开关升压的电路。
关于东芝电子元件及存储装置株式会社
东芝电子元件及存储装置株式会社是先进的半导体和存储解决方案的领先供应商,公司累积了半个多世纪的经验和创新,为客户和合作伙伴提供分立半导体、系统LSI和HDD领域的杰出解决方案。
公司22,200名员工遍布世界各地,致力于实现产品价值的最大化,东芝电子元件及存储装置株式会社十分注重与客户的密切协作,旨在促进价值共创,共同开拓新市场,公司现已拥有超过7,971亿日元(49.6亿美元)的年销售额,期待为世界各地的人们建设更美好的未来并做出贡献。
免责声明:本文为转载文章,转载此文目的在于传递更多信息,版权归原作者所有。本文所用视频、图片、文字如涉及作品版权问题,请联系小编进行处理。
推荐阅读:
大联大诠鼎集团推出基于英诺赛科产品的2KW 48V双向AC/DC储能电源方案
Microchip 新发布的200MHz PIC32A MCU 震撼登场!
长光辰芯发布2.71亿超高像素分辨率背照式CMOS图像传感器- GMAX15271BSI






