【导读】近日,博瑞集信推出驱动放大器系列产品,该系列产品频段覆盖0.4GHz~5GHz,通过简单的外围匹配实现不同带宽下的应用。该系列产品具有高线性、高可靠性和应用灵活等特点,可广泛应用于卫星通信、数据链和通用无线设备。
产品概要
● +5V低压供电、高线性驱动放大器系列
近日,博瑞集信推出驱动放大器系列产品,该系列产品频段覆盖0.4GHz~5GHz,通过简单的外围匹配实现不同带宽下的应用。
该系列产品具有高线性、高可靠性和应用灵活等特点,可广泛应用于卫星通信、数据链和通用无线设备。
● 该系列产品汇总表
BR9546FPJ简介
-
工作频率:1.5GHz~2.4GHz
-
小信号增益:35.7dB@1.6GHz
-
输出1dB压缩功率:36.2dBm@1.6GHz
-
PAE@OP1:39.6%@1.6GHz
-
Vcc=+5V,静态工作电流99mA
-
封装形式:QFN24(4mm×4mm)
射频特性
典型工作特性
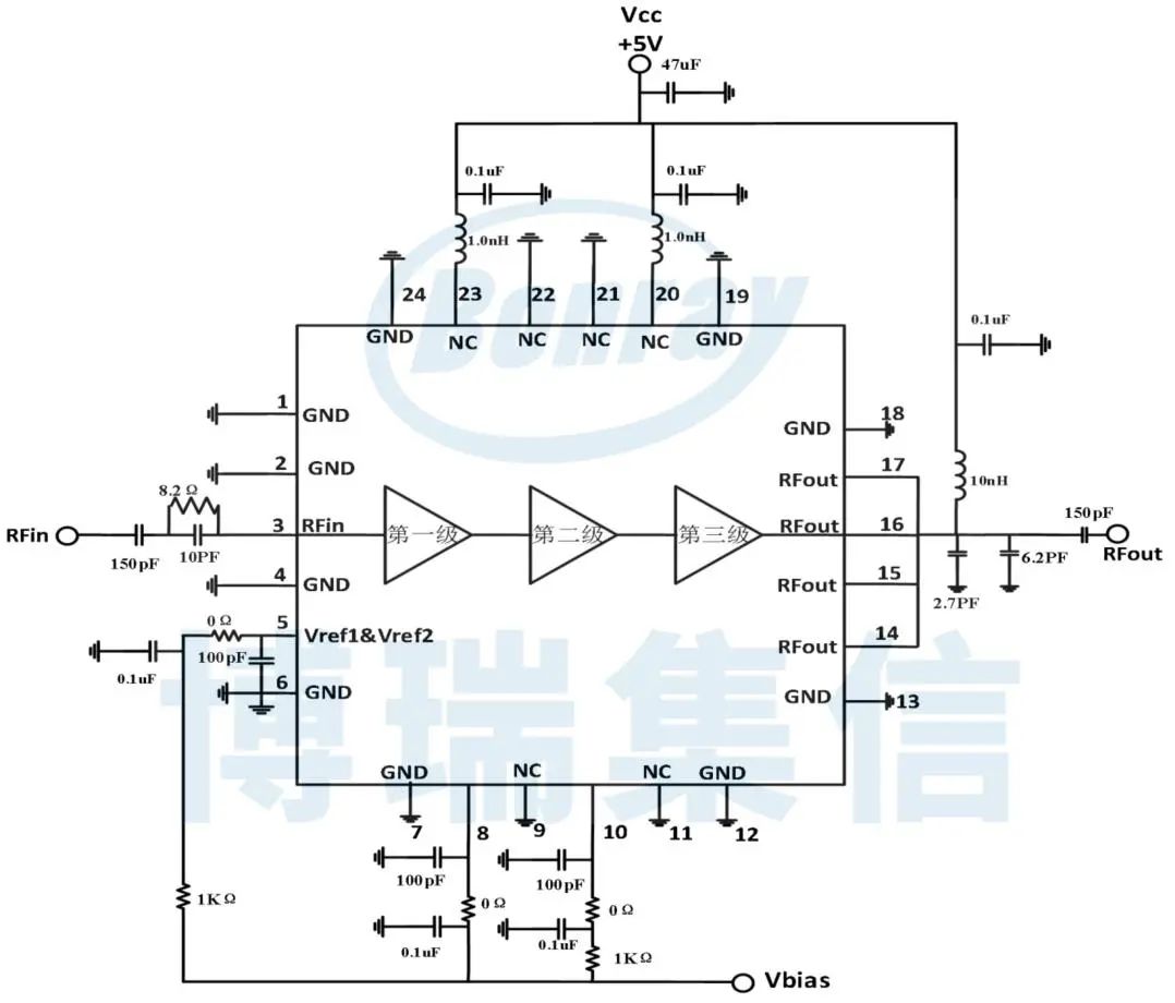
典型应用电路图
封装外形
关于博瑞集信
博瑞集信是一家国内领先的自主可控核心芯片和特种通信设备提供商。凭借经验丰富的团队、完备高效的平台、先进可靠的工艺,已在自主可控射频微波领域处于业界领先水平。公司专注于通信、雷达、航空电子等领域的核心芯片及关键模块的研发、生产与销售,通过提供完全自主可控的创新技术与完整的产品解决方案,能够灵活满足不同用户的个性化需求及快速创新需要。
来源:博瑞集信
免责声明:本文为转载文章,转载此文目的在于传递更多信息,版权归原作者所有。本文所用视频、图片、文字如涉及作品版权问题,请联系小编进行处理。
推荐阅读:
乾鸿微推出HA2007型15V单通道5M高输入阻抗运算放大器
大联大世平集团推出基于NXP产品的电池监控单元(CMU)方案
Bourns 隆重推出 SSD 数字系列电流传感器 (基于分流器)
康佳特推出基于恩智浦i.MX 95系列处理器的新款SMARC模块





