【导读】快充、服务器电源、新能源等领域对高功率密度、高能效电源方案的需求日益迫切,传统分立GaN驱动方案存在驱动匹配难、布局复杂、可靠性不足及高频性能受限等问题,制约了电源产品升级。为此,氮矽科技推出DXC650S1K2H高度集成GaN驱动芯片,一体化集成高压GaN HEMT、专用驱动电路及多重保护功能,形成完整高压开关解决方案。该芯片凭借700V耐压、低导阻及优异高频特性突破性能上限,以高集成度、强环境适应性及灵活开关特性,为工程师提供易用可靠的选型,助力电源产品性能提升与设计简化。
技术优势详解
高集成度与易用性:DXC650S1K2H采用SOP10封装,具有低寄生电感和电阻,用户无需设计复杂的负压驱动电路,也无需担心多个器件并联时的阈值不一致问题,大幅降低了设计难度与系统成本。
强健的电压耐受能力:DXC650S1K2H在瞬态和浪涌条件下可耐受更高电压(如瞬态峰值750V、浪涌峰值850V),适用于电网波动、雷击等严苛环境。
优异的热管理与可靠性:芯片结壳热阻低至8.9°C/W,支持在-40°C至125°C的环境温度下稳定工作,符合MSL3回流焊标准,适用于自动化贴片生产。
低驱动损耗,提升能效:超低输入电容使栅极电压的建立和关断速度越快,缩短器件的开通关断时间;且对驱动电路的驱动能力要求更低,栅极回路的寄生参数影响更小,高频工作时的稳定性更高。
开通关断时间可调:通过在栅极与OUTH(上拉端)、OUTL(下拉端)分别连接电阻,能单独控制开通关断时间,精准匹配不同拓扑结构对脉冲特性的差异化要求。
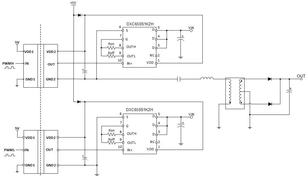
典型应用图
下述产品应用框图清晰展示了DXC650S1K2H在典型功率系统中的核心位置与连接关系,有助于工程师快速理解其接口定义、信号流向,为系统架构设计与外围电路配置提供直观参考。
广泛的应用前景
高频高压脉冲模块电源
AC/DC适配器与充电器
LED驱动电源
功率因数校正(PFC)电路
LLC谐振转换器
无线电力传输系统
D类音频功率放大器
5MHz高频高压脉冲电源的设计方案与实现
氮矽科技已成功开发并验证了基于DXC650S1K2H的5MHz高频高压脉冲电源设计方案。该方案充分展示了芯片在高频高压应用中的卓越性能,其核心实测参数包括:在12VDC输入条件下,可稳定输出200V方波,工作频率达5MHz,脉冲上升与下降时间均小于15纳秒。在满功率连续工作状态下,芯片结温控制在110°C以内。
驱动与开关一体化设计:采用单芯片集成方案,省去了负压驱动与电平转换电路。这种设计将驱动回路缩至最短,有效避免了因驱动阻抗不匹配和寄生电感引起的开关振荡问题,使设计重点能够集中于功率主回路的优化。
优化的热设计与功率密度:借助芯片自身低损耗与低热阻(8.9°C/W)特性,该设计在紧凑空间内实现了有效温升控制。系统在无额外散热的自然对流条件下,仍可稳定输出5MHz/200V的满功率脉冲,为设备小型化奠定基础。
波形质量的可控性与一致性:通过外置电阻独立调节芯片开通与关断速度,可实现对脉冲边沿的精准控制(可调范围5ns-20ns)。该特性使工程师能依据负载需求,在开关速度、损耗和EMI之间取得最佳平衡,从而确保波形的一致性与可靠性。
该应用方案表明,DXC650S1K2H能够有效解决高频高压脉冲电源的关键设计难题,为医疗成像、工业检测等对脉冲质量与可靠性要求严苛的领域,提供了一个性能卓越、易于实施的电源解决方案。
高频高压脉冲模块电源
总结
氮矽科技推出的DXC650S1K2H为电源行业高效化、小型化升级提供核心支撑。其高集成度、强耐压、优热管理及灵活开关特性,解决了传统分立方案痛点,经5MHz高频高压脉冲电源方案验证,展现出优异的严苛场景适配与落地能力。该芯片适配AC/DC适配器、医疗成像等多领域,拓宽了GaN技术应用边界。未来随GaN技术普及,其将成为电源升级与研发的优选,推动行业向高能效、小体积、高可靠方向迭代,赋能相关产业创新。




