【导读】4月8日,南芯科技正式推出了其新一代全集成双向同步升降压充电芯片——SC8984。这款芯片专为2-4串锂电池应用量身打造,旨在为多电池串平板、无人机、高端消费电子及医疗设备等提供卓越的充电与放电性能。SC8984凭借其宽电压范围、高电流输出、优异的效率表现以及高度集成的设计,展现了南芯科技在电源管理领域的深厚技术积累与创新实力,为行业带来了一款极具竞争力的核心元器件。
极致性能,更高效率
SC8984 适配 2-4 串锂电池应用,具备 3.6V-22V 的宽输入电压工作范围,充电电流最高 5A;同时支持反向 OTG 功能,输出电压范围 3V-22V 且输出电流更高可达 5A,高于同类竞品。
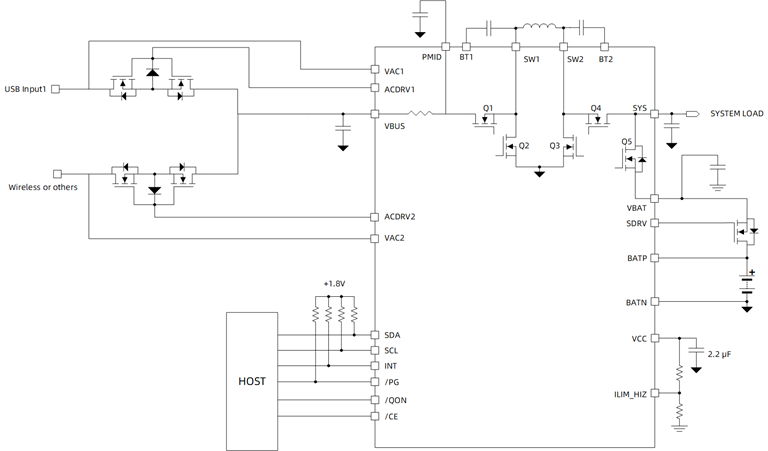
SC8984 典型应用框图
SC8984 集成的功率管导通电阻较低,并通过优化导通电阻分配,显著提升 2-4 串锂电池充电效率:在 12V 到 8V 典型降压场景中,4A 充电电流下效率可达 93.75%;5V 到 8V 典型升压场景中,3A 充电电流下效率可达 90.69%。
SC8984 充电效率曲线
SC8984 与同类竞品在不同模式下的效率曲线对比
SC8984 静态功耗表现优异,典型电池待机电流仅 45μA,在 ship 模式及 shutdown 模式下,静态电流可分别低至 9μA 和 825nA,显著延长设备的仓储和休眠续航时间。同时路径管理 BATFET 具备高达 10A 的持续放电电流能力,为大功率负载的瞬时与持续供电提供强劲支撑。
SC8984 采用南芯自研的 ACOT 升降压控制技术,可实现降压、升降压、升压模式之间的平滑切换。通过优化环路补偿,还带来了更出色的负载瞬态响应性能。
SC8984 瞬态响应波形图(负载电流从 0A 突变到 3A,0.15A/μs)
竞品瞬态响应波形图(负载电流从 0A 突变到 3A,0.15A/μs)
设计灵活,安全可靠
SC8984 采用 WLCSP 封装,将四个开关功率 MOSFET、输入电流采样电阻、充电路径管理 BATFET 以及双输入电源路径管理控制器全部集成于单颗芯片之内,支持 NVDC 电源路径管理,并提供灵活的开关频率选项。除了常见的 750kHz 和 1.5MHz 开关频率外,还额外支持 1.125MHz 开关频率,可为电感选型、效率与纹波性能的折中设计提供更大的灵活度。
SC8984 支持 BC1.2 充电协议,其集成的 11-bit ADC 允许用户灵活监测输入端、输出端和电池的电压及电流,用户还可以通过 I2C 接口灵活配置充电/放电模式,以及充电电流、充电电压、系统电压、反向输出电压、电流限制等参数。
SC8984 内置了全面的保护机制,包括输入/输出过压保护、过流保护、短路保护、过热保护等,为设备的可靠运行保驾护航。
此外,针对不同的应用场景,南芯还推出对 PCB 布局更友好的 QFN 封装,以及功能定制的版本。
南芯科技充电管理产品家族
南芯科技发布的 SC8984 升降压充电芯片,通过其极致性能、高效能与高集成度,为2-4串锂电池应用提供了强大的电源管理解决方案。其宽范围的输入输出电压、高达5A的充放电电流、出色的转换效率以及低至微安级的静态功耗,不仅满足了高端设备对快速充电和长续航的迫切需求,更通过自研ACOT控制技术确保了系统的稳定与快速响应。






