【导读】多路驱动场景复杂度攀升,行业对芯片集成度与成本管控要求趋严,川土微电子正式推出I²C控制八通道低边驱动器件CA-DV8008。该器件依托高效的串行转并行控制架构,为行业提供了兼具资源优化与成本优势的多路驱动解决方案。本文将从产品概述、核心特性及典型应用场景三大维度,系统解析CA-DV8008的技术优势与适用边界,助力技术研发及应用人员快速精准把握产品核心价值与应用要点,深入洞察其在运动控制、功率开关、照明系统等领域的应用潜力。
1产品概述
CA-DV8008是一款I²C控制的八通道低边驱动。该器件采用串行接口转并行输出的控制方式,可大幅节约主控制器GPIO资源,简化系统设计,有效降低硬件成本。
器件每通道支持500mA的灌电流能力,输出端口耐压高达50V,内置钳位二极管为感性负载关断时提供退磁回路,适用于步进电机、直流电机、继电器及螺线管等多种负载的驱动。
CA-DV8008支持最高400kHz的快速I²C总线,有3个硬件地址配置引脚,支持同一I²C总线上最多挂载8片CA-DV8008,实现64路输出的集中控制。器件的SCL与SDA引脚采用CMOS逻辑电平,逻辑供电电压VCC支持3V至5.5V宽范围输入,可直接与3.3V或5V微控制器直连和共电源。
CA-DV8008提供SOIC16-NB与TSSOP16两种封装型式,环境工作温度(TA)范围覆盖-40°C至+125°C,满足家用电器和工业级应用环境要求。
简化电路框图
特性
八通道低边输出
单通道500mA灌电流能力(25°C,单通道开启)
单通道250mA灌电流能力(25°C,八通道开启,SOIC16-NB封装)
输出端口电压高达50V
内置钳位二极管应对感性负载
输入I²C控制,支持最高400kHz的时钟速率
SCL/SDA引脚CMOS逻辑电平
3个地址可配引脚,同一总线上最多可挂载8片CA-DV8008
VCC电源电压范围:3V~5.5V
环境工作温度范围:–40°C ~ 125°C
提供SOIC16-NB和TSSOP16封装选项
典型应用场景
运动控制:步进电机驱动、直流有刷电机驱动
功率开关:继电器驱动、接触器控制、螺线管驱动
照明系统:多路LED驱动与调光控制
信号分配:线驱动器、逻辑缓冲器与电平转换
家用电器和工业自动化:多路执行器控制、阀门驱动、电磁铁控制
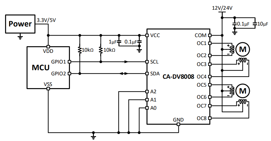
CA-DV8008可以用来驱动2个四相五线制步进电机,逻辑侧电源VCC可以和微控制器共电源,支持3V到5.5V的供电电压范围,在使用时SCL和SDA需通过电阻上拉至VCC,通过A2~A0引脚短接至VCC或者GND来设定器件地址。CA-DV8008内部集成钳位二极管,在应用时连接到系统高压电源,为感性负载关断时提供续流回路。
典型应用电路—驱动步进电机
CA-DV8008也可以用来驱动七段或者八段共阳LED数码管。
典型应用电路—驱动 LED 数码管
总结
CA-DV8008以八通道高集成设计为基础,搭配50V高耐压、500mA单通道灌电流、宽电压供电及多封装适配等核心优势,构建了高可靠性与高灵活性的多路驱动解决方案。无论是步进电机、继电器等工业与运动控制场景,还是LED照明、家用电器等民用领域,其都能通过简化系统设计、节约硬件成本、适配多类负载的特性,精准匹配多样化应用需求。





